Sklep - duży wybór produktów z branży motocyklowej
Anna Gierej MOTOHAVEN

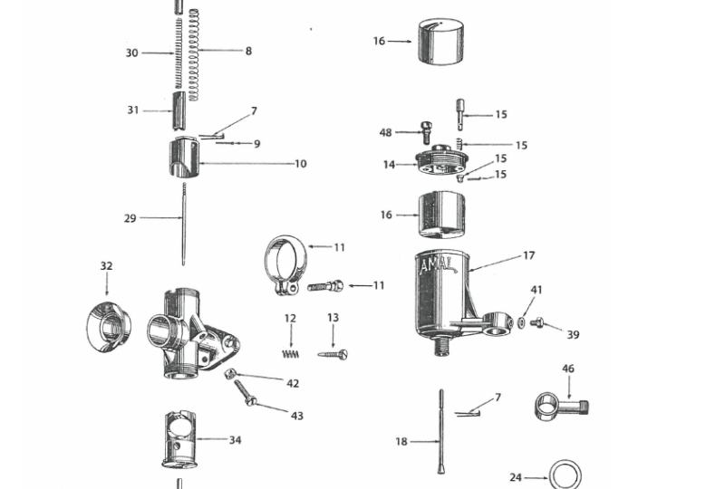
Króciec rurki paliwowej, AMAL

Króciec rurki paliwowej, AMAL

  • Producent: Polska
  • Kod: 002441

Cena: 24,02 zł

sztuka
Dodano do koszyka